Skip to content
HeZzz
Go back

计网-2025sp-秀随堂小测

xuxiu 老师的课堂小测,我看着跟重点重合不少,可以看一下。

!!!我整理的时候可能头昏脑胀出问题,如果旁边有页码的地方请务必去看书。

另外还有计网 - 2025sp - 速通群重点杂糅计网 - 2025sp-lm 小测试

欢迎来计算机速通之家 | QQ 群号:468081841一起速通喵。

🙇‍♂️🙇‍♂️🙇‍♂️时间仓促,有不足之处烦请及时告知。邮箱hez2z@foxmail.com 或者在速通之家 群里 @9¾

计算机网络的性能指标有哪些?分别加以解释说明

P21 1.6 计算机网络的性能

  1. 速率

    网络技术中的速率指的是数据的传送速率,它也被称为数据率(data rate)或比特率(bit rate)。

  2. 带宽

    • 带宽本来是指某个信号具有的频带宽度。
    • 在计算机网络中,带宽用来表示网络中某通道传送数据的能力,因此网络带宽表示在单位时间内网络中的某信道所能通过的“最高数据率”。

    在“带宽”的上述两种表述中,前者为频域称谓,而后者为时域称谓,其本质是相同的。也就是说,一条通信链路的“带宽”越宽,其所能传输的“最高数据率”也越高。

  3. 吞吐量

    吞吐量(throughput)表示在单位时间内通过某个网络(或信道、接口)的实际数据量。

  4. 时延

    时延(delay或latency)是指数据(一个报文或分组,甚至比特)从网络(或链路)的一端传送到另一端所需的时间。时延是个很重要的性能指标,它有时也称为延迟或迟延。

    总时延 = 发送时延 + 传播时延 + 处理时延 + 排队时延

  5. 时延带宽积

    把以上讨论的网络性能的两个度量—传播时延和带宽—相乘,就得到另一个很有用的度量:传播时延带宽积,即

    时延带宽积 = 传播时延 × 带宽

描述七层与五层体系结构的异同点及各层功能?

P27 1.7 计算机网络体系结构,P31 1.7.3 具有五层协议的体系结构

解释术语:信号、基带信号、码元?其中:基带调制编码方式有哪些?以1000100111为例,用绘图方法表达?带通调制的基本调制方法有哪些,以010011100为例,用绘图表达

P43 2.2.1 数据通信系统的模型

根据信号中代表消息的参数的取值方式不同,信号可分为以下两大类:

(1) 模拟信号,或连续信号—代表消息的参数的取值是连续的。例如在图 2-1 中,用户家中的调制解调器到电话端口之间的用户线上传送的就是模拟信号。

(2) 数字信号,或离散信号—代表消息的参数的取值是离散的。例如在图 1 中,用户家中的计算机到调制解调器之间或在电话网中继线上传送的就是数字信号。在使用时间域(或简称为时域)的形式表示数字信号时,代表不同离散数值的基本波形就称为码元。在使用二进制编码时,只有两种不同的码元,一种代表 0 状态而另一种代表 1 状态。

图1 数据通信系统的模型

基带调制编码方式有以下几种:

1000100111 为例,

使用不归零制编码方式绘图如下:

图2 数字信号常用的编码方式

带通调制的基本调制方法有以下几种:

图3 带通调制的基本调制方法

物理层的传输媒体有哪些?各有哪些特质?

P48 2.3 物理层下的传输媒体

传输媒体也称为传输介质或传输媒介,它就是数据传输系统中在发送器和接收器之间的物理通路。传输媒体可分为两大类,即导引型传输媒体和非导引型传输媒体(这里的”导引型”的英文就是guided, 也可译为“导向传输媒体”)。在导引型传输媒体中,电磁波被导引沿着固体媒体(铜线或光纤)传播;而非导引型传输媒体就是指自由空间,在非导引型传输媒体中电磁波的传输常称为无线传输。

信道有哪些复用技术?信道复用技术优势及各个信道复用技术特点是什么?

P56 2.4 信道复用技术

信道复用技术是指在同一物理信道上同时传输多个信号的技术。它可以提高信道的利用率,降低通信成本。常见的信道复用技术有以下几种:

P60 2.4.3 码分复用(CDM),码分多址(CDMA)

看看书 P60 的工作原理

码分复用(CDM)是另一种共享信道的方法。当码分复用信道为多个不同地址的用户所共享时,就称为码分多址(CDMA)。每一个用户可以在同样的时间使用同样的频带进行通信。由于各用户使用经过特殊挑选的不同码型,因此各用户之间不会造成干扰。码分复用最初用于军事通信,因为这种系统发送的信号有很强的抗干扰能力,其频谱类似于白噪声,不易被敌人发现。随着技术的进步,CDMA 设备的价格大幅度下降,体积大幅度缩小,因而现在已广泛使用在民用的移动通信中,特别是在无线局域网中。采用 CDMA 可提高通信的话音质量和数据传输的可靠性,减少干扰对通信的影响,增大通信系统的容量(是使用 GSM 的 4~5 倍),降低手机的平均发射功率,等等。下面简述其工作原理。

描述以下协议的原理与特点?PPP、ARP、ICMP、RIP、OSPF、BGP、TCP、UDP、HTTP、POP、IMAP、DHCP、FTP、ARQ

以下协议中标注书页的更加重要一些。

P304 6.6 动态主机配置协议 DHCP

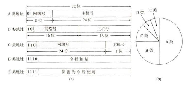
描述32位与64位IP地址的格式与书写特点?

P122 4.2.2 IP 地址

其实 32 位 IP 地址就是 IPv4 地址,64 位 IP 地址就是并不存在于现实生活中的 “IPv5” 地址。

图4 IP 地址中的网格号和主机号字段

赠送一个IP 地址的分类。

图5 分类的 IP 地址以及各类地址所占的比例

32 位 IP 地址的格式为四个字节,每个字节用十进制表示,字节之间用点分隔。例如:

二进制11000000.10101000.00000000.00000001
点分十进制192.168.0.1

64 位 IP 地址的格式为八个字节,每个字节用十进制表示,字节之间用冒号分隔。

不想搞了谁会考 64 位 IP 地址啊

给大家来个正经的 IPv6 地址的例子:

2001:0db8:85a3:0000:0000:8a2e:0370:7334

维基百科链接-IP地址

描述运输层端口的含义,TCP/IP中三类端口有哪些,例如TCP中常用端口号?

P215

  1. 服务器端使用的端口号

    • 熟知端口号/全球通用端口号
    • 登记端口号
  2. 客户端使用的端口号

常用端口号:

协议FTPSSHTelnetSMTPHTTPHTTPSDNS
端口212223258044353

什么是套接字?写出一条TCP连接的套接字描述?

P220 5.3.2 TCP 的链接

TCP 连接的端点叫作套接字(socket)或插口。根据 RFC 793 的定义:端口号拼接到 IP 地址即构成了套接字。

例如,若 IP 地址为 192.3.4.5,端口号为 80,则套接字描述为:

192.3.4.5:80

总之,我们有

套接字 = IP 地址 : 端口号

每一条TCP 连接唯一地被通信两端的两个端点(即套接字对)所确定。即:

套接字对 = (IP 地址1:端口号1, IP 地址2:端口号2)

描述IP地址与MAC地址的区别?

扒的 PPT

IP 地址MAC 地址
虚拟地址、软件地址、逻辑地址固化在网卡上的 ROM 中的硬件地址、物理地址
网络层和以上各层使用数据链路层使用
放在 IP 数据报的首部放在 MAC 帧的首部

描述TCP中的三次握手与四次挥手?

P247 5.9.1 TCP 的连接建立

图6 TCP 的连接建立

一开始,B 的TCP 服务器进程先创建传输控制块TCB, 准备接受客户进程的连接请求。然后服务器进程就处于LISTEN (收听)状态,等待客户的连接请求。如有,即做出响应。

A 的 TCP 客户进程也是首先创建传输控制块TCB。然后,在打算建立 TCP 连接时,向 B 发出连接请求报文段,这时首部中的同步位SYN = 1,同时选择一个初始序号 seq = x。TCP 规定, SYN 报文段(即SYN = 1 的报文段)不能携带数据,但要消耗掉一个序号。这时, TCP 客户进程进入SYN-SENT(同步已发送)状态。

B 收到连接请求报文段后,如同意建立连接,则向A 发送确认。在确认报文段中应把SYN 位和ACK 位都置1, 确认号是 ack = x + 1 ,同时也为自己选择一个初始序号 seq = y。注意,这个报文段也不能携带数据,但同样要消耗掉一个序号。这时 TCP 服务器进程进入SYN-RCVD (同步收到)状态。

TCP 客户进程收到 B 的确认后,还要向 B 给出确认。确认报文段的 ACK 置1,确认号 ack = y + 1, 而自己的序号 seq = x + 1 。TCP 的标准规定, ACK 报文段可以携带数据。但如果不携带数据则不消耗序号,在这种情况下,下一个数据报文段的序号仍是 seq = x + 1。这时, TCP 连接已经建立, A 进入 ESTABLISHED (已建立连接)状态。 当 B 收到 A 的确认后,也进入 ESTABLISHED 状态。

上面给出的连接建立过程叫作三报文握手。请注意,在 图6 中 B 发送给 A 的报文段, 也可拆成两个报文段。可以先发送一个确认报文段(ACK = 1,ack = x + 1), 然后再发送一个同步报文段(SYN = 1, seq = y)。这样的过程就变成了四报文握手,但效果是一样的。

为什么 A 还要发送一次确认呢?这主要是为了防止已失效的连接请求报文段突然又传送到了 B, 因而产生错误。

描述滑动窗口机制的原理?

P229 5.6 TCP 可靠传输的实现

内容有点多,自己看下书

描述TCP中流量控制机制原理?

P236 5.7 TCP 的流量控制

描述拥塞控制机制的原理?它有几种拥塞控制算法(可用图表示例说明)?解释拥塞窗口的概念?当出现超时重传与三次重复确认时,如何设置拥塞窗口值?

P238 5.8 TCP 的拥塞控制

所谓拥塞控制就是防止过多的数据注入到网络中,这样可以使网络中的路由器或链路不至于过载。拥塞控制所要做的都有一个前提,就是网络能够承受现有的网络负荷。

P241 5.8.2 TCP 的拥塞控制算法

拥塞控制算法有以下四种:

算法描述
慢开始由小到大逐渐增大注入到网络中的数据字节,也就是说,由小到大逐渐增大拥塞窗口数值
拥塞避免让拥塞窗口 cwnd 缓慢地增大,按线性规律缓慢增长,比慢开始算法的增大速度慢
快重传当收到三个重复的确认时,立即重传丢失的分组,而不必等待超时
快恢复在快重传后,将拥塞窗口 cwnd 减半,然后进入拥塞避免阶段

拥塞窗口的概念如下:

拥塞窗口这里看一下PPT吧,我就浅放个图片。

图7 TCP 的拥塞控制算法

点击下载计算机网络第8版课件-第5章-运输层.pptx

描述以下名词:DNS、URL、HTML、WWW、SMTP、MIME?

我们主要看区别

SMTP 与 MIME 的区别

特性SMTP (简单邮件传输协议)MIME (通用互联网邮件扩充)
核心目的一个用于在邮件服务器之间传输邮件的协议,规定了命令和响应的交互方式。一个对邮件格式的扩展标准,旨在解决 SMTP 的局限性,并未取代 SMTP。
数据格式只能传送 7 位的 ASCII 码文本。定义了多种内容格式和编码规则,支持传送非 ASCII 码、二进制文件(如图像、音频、视频)。
文件传输无法直接传送可执行文件或二进制对象。能够将二进制文件编码为文本格式进行传送。
邮件结构遵循 [RFC 822] 的基本邮件格式,邮件主体结构单一。增加了 5 个新的邮件首部字段,扩展了邮件结构,使其能包含多部分内容和非文本内容。
关系作为邮件投递的基础协议,负责“信封”的交换。作用于邮件的“内容”,对其进行格式化和编码,以便通过 SMTP 进行传输。MIME 格式的邮件最终还是通过 SMTP 发送。

POP3 与 IMAP 的区别

特性POP3IMAP
工作模式主要是**“离线”工作模式**。是一个**“联机”协议**。
邮件存储将邮件从服务器下载到本地设备,下载后服务器会删除邮件副本(默认行为)。邮件主要存储在服务器上,客户端的操作会与服务器同步。
邮件同步在本地设备上对邮件的阅读、删除等操作不会同步到服务器或其他设备。在任何设备上对邮件的操作(如已读、删除、移动)都会同步到服务器,并在所有设备上保持一致。
邮件下载默认下载整个邮件。默认只下载邮件的首部,只有当用户打开邮件时才下载完整内容。也允许只读取邮件的特定部分。
邮件管理邮件管理(如创建文件夹、分类)在本地进行。用户可以直接在服务器上创建和管理文件夹,进行邮件搜索。
多设备支持不适合在多个设备上管理同一个邮箱。非常适合多设备访问,用户可以在不同设备上无缝切换并处理邮件。
网络依赖下载邮件后,可在离线状态下阅读。必须保持网络连接才能查阅和管理邮件。
底层协议基于 TCP 实现。基于 TCP 实现。

16. 描述通用传输原理及字节填充机制?

通用传输原理是指在计算机网络中,数据从源主机传输到目的主机的过程。这个过程包括数据的封装、传输、解封装等步骤。 字节填充机制是为了确保数据在传输过程中能够正确地被识别和处理。它通常用于解决数据传输中的对齐问题,确保数据的边界清晰。

P75 字符填充

描述适配器的作用?例举各层使用的网络设备有哪些?

计算机与外界局域网的连接是通过适配器(adapter)来实现的。

什么是VLAN,划分VLAN有哪些方法?

P104 3.4.3 虚拟局域网

虚拟局域网其实只是局域网给用户提供的一种服务,而并不是一种新型局域网。

连接两个交换机端口之间的链路称为汇聚链路(trunk link)或干线链路。

解释TCP是面向字节流的含义?

P219 5.3.1 TCP 最主要的特点

面向字节流。TCP 中的“流”(stream)指的是流入到进程或从进程流出的字节序列。“面向字节流”的含义是:虽然应用程序和TCP 的交互是一次一个数据块(大小不等),但 TCP 把应用程序交下来的数据仅仅看成是一连串的无结构的字节流。TCP 并不知道所传送的字节流的含义。TCP 不保证接收方应用程序所收到的数据块和发送方应用程序所发出的数据块具有对应大小的关系(例如,发送方应用程序交给发送方的 TCP 共 10 个数据块,但接收方的 TCP 可能只收到了 4 个数据块就把收到的字节流交付上层的应用程序)。但接收方应用程序收到的字节流必须和发送方应用程序发出的字节流完全一样。当然,接收方的应用程序必须有能力识别收到的字节流,把它还原成有意义的应用层数据。

图8 TCP 的面向字节流

试解释RTO与RTT及之间的关系?

P233 5.6.2 超时重传时间的选择

累了,就到这里,结束了


偷偷放一个神秘字符串

aHR0cHM6Ly9ibG9nLmhlemkuc3BhY2UvcGljL2NvbXB1dGVyX25ldHdvcmsvdGNwYW5kdWRwLmpwZw==


Share this post on:

上一篇
计网-2025sp-lm小测试
下一篇
计网-2025sp-速通群重点杂糅